Laboratório de metalografia

Saiba mais sobre Laboratório de metalografia

A metalografia é uma disciplina essencial para a análise e caracterização de materiais metálicos. Neste contexto, os laboratórios de metalografia desempenham um papel fundamental, oferecendo ferramentas e técnicas que permitem a investigação detalhada das propriedades dos metais. Esta prática é vital em diversas indústrias, como a automobilística, aeroespacial e de construção, onde a qualidade dos metal é crucial.

O que é Metalografia?

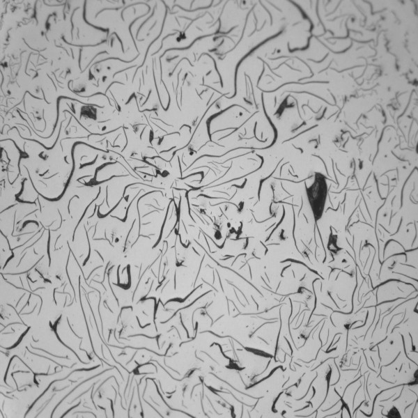
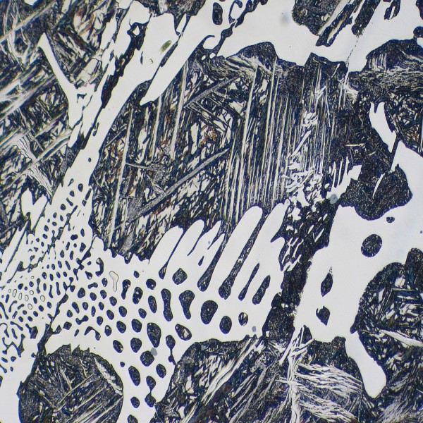
A metalografia consiste no estudo da estrutura dos materiais metálicos em nível microscópico. O objetivo é entender a disposição dos grãos, as fases presentes e as inclusões no metal. Isso proporciona informações valiosas, como a dureza, ductilidade e resistência à corrosão dos materiais.

Importância dos Laboratórios de Metalografia

Os laboratórios de metalografia são responsáveis por várias atividades, incluindo:

  1. Preparação de Amostras: As amostras metálicas passam por processos de corte, polimento e ataque químico, preparando-as para análise microscópica.
  2. Análise Microestrutural: Utilização de microscópios ópticos e eletrônicos para examinar a estrutura do metal em diferentes escalas.
  3. Testes de Propriedades Mecânicas: Avaliação de características como resistência à tração, dureza e ductilidade.
  4. Identificação de Fases: Determinação das diferentes fases presentes no material, influenciando suas propriedades.

Essas atividades proporcionam uma compreensão profunda do desempenho dos materiais em aplicações específicas.

Etapas do Processo Metalográfico

O processo de metalografia pode ser dividido em várias etapas, que são fundamentais para garantir resultados precisos e confiáveis. Estas etapas incluem:

1. Corte da Amostra

Neste estágio, a amostra metálica é cortada com uma serra apropriada. O corte deve ser feito de maneira cuidadosa para evitar deformações que possam prejudicar a análise posterior.

2. Montagem

A amostra deve ser montada em um suporte, geralmente utilizando resinas. Esta etapa visa proteger a amostra durante o polimento.

3. Polimento

O polimento é uma das etapas mais críticas. Através de discos de polimento e pasta abrasiva, a superfície da amostra é suavizada. O objetivo é obter uma superfície lisa, que permita a visualização clara das estruturas metálicas.

4. Ataque Químico

Após o polimento, a amostra é submetida a um ataque químico. Este tratamento destaca diferentes fases ou grãos no metal. A escolha do reagente depende do tipo de metal e das informações desejadas.

5. Análise Microscopica

Finalmente, a análise é realizada sob um microscópio. Os operadores observam e registram as características da microestrutura, como tamanho de grão e formatação de fases.

Tecnologias Utilizadas em Metalografia

Os laboratórios modernos utilizam diversas tecnologias para otimizar o processo de metalografia. Algumas das tecnologias incluem:

  • Microscopia Óptica: Fornece imagens da microestrutura em níveis de ampliação variados.
  • Microscopia Eletrônica de Varredura (MEV): Permite uma análise mais detalhada, oferecendo imagens em alta resolução.
  • Espectroscopia de Energia Dispersiva (EDS): Analisa a composição química das fases presentes na amostra.
  • Difração de Raios X: Ajuda na identificação de fases cristalinas, proporcionando informações sobre a estrutura atômica.

Essas tecnologias investidas em laboratórios garantem resultados mais rápidos e precisos, aumentando a eficiência dos processos de análise.

Benefícios da Metalografia

Os benefícios da metalografia são vastos e essenciais para a indústria. Entre os principais, destacam-se:

  • Qualidade e Confiabilidade: A análise metalográfica assegura que os materiais atendam às especificações necessárias.
  • Detecção de Defeitos: A microestrutura pode revelar falhas que não seriam visíveis a olho nu.
  • Melhoria Contínua: Analises regulares dos materiais ajudam na aprimoração dos processos de fabricação.

Consequentemente, a metalografia se torna uma ferramenta indispensável para o desenvolvimento e controle da qualidade em materiais metálicos.

Conclusão

Em suma, os laboratórios de metalografia desempenham um papel crucial na análise e caracterização de materiais metálicos. Com um processo rigoroso e o uso de tecnologias avançadas, é possível garantir a qualidade e segurança dos produtos industriais. A compreensão das microestruturas dos materiais não apenas fornece informações úteis, mas também contribui para a inovação e desenvolvimento de novos materiais. Portanto, o investimento em metalografia é essencial para qualquer segmento industrial que utilize metais em suas aplicações.